So sánh sản phẩm
chọn tối đa 4 sản phẩm
  •  
  • CSKH: 0984.190.074
  • |
  •  
  • HOTLINE: 04.62605705
  • |
  • 0978.543.143
  • Hiện chưa có sản phẩm nào trong giỏ hàng của bạn

Hướng dẫn sử dụng Máy nén khí trục quay Hyundai Models HY3050, HY30100 & HY3150

Ngày đăng : 10:26:05 11-05-2017

Máy nén khí trục quay Hyundai HY3050-50L ; Máy nén khí trục quay Hyundai HY30100 100 lít; Máy nén khí trục quay Hyundai HY3150S 150 lít


Để có được sức mạnh đáng tin cậy để giữ cho ngôi nhà của bạn, công việc kinh doanh, công trình xây dựng , bạn sẽ tìm thấy nhiều sản phẩm Hyundai chính hãng do công ty 330.com.vn cung cấp như :
Máy phát điện . Với sự cắt giảm điện năng ở tần số trên khắp nước , một máy phát điện diesel bây giờ đã trở thành một khoản đầu tư cần thiết để giữ tiền đề của bạn chạy suốt cả ngày. Để giữ cho dụng cụ điện và thiết bị được hỗ trợ trong suốt cả ngày làm việc tại chỗ, khung mở máy phát điện xăng là một giải pháp tiết kiệm chi phí hiệu quả cho cả hai xây dựng quy mô nhỏ và lớn và yêu cầu thương mại. Máy phát điện biến tần loại máy phát điện nhỏ gọn, nhẹ và yên tĩnh nhất trong phạm vi Hyundai, lý tưởng cho việc vận chuyển bằng xe chở hàng, xe máy và với lựa chọn để chuyển sang chạy LPG .
 
Các máy làm vườn của  công ty 330.com.vn là sản phẩm hãng Hyundai  và Honda có  nhiều tính năng cho mọi công việc làm vườn, từ máy cắt cỏ đeo vai và máy cắt cỏ đẩy tay , cho  đến máy cưamáy thổi lá . Dòng sản phẩm này bao gồm cả dòng xe chạy bằng động cơ 2 thì và 4 thì, cũng như pin lithium ion 36v mới, cho phép làm vườn an toàn, sạch sẽ và xanh mà không có xăng, không có dây cáp và không gây ô nhiễm.
 
Máy rửa áp suất của Hyundai mang lại hiệu suất làm sạch tốt nhất, cho dù bạn cần một mô hình xăng hoặc dầu diesel . Các máy giặt áp suất di động này giúp làm sạch tại các vị trí không có nguồn điện, và chúng được trang bị máy bơm Annovi Reverberi nổi tiếng thế giới, điều này làm cho tất cả sự khác biệt khi nói đến chất lượng và độ tin cậy của hoạt động làm sạch.
 
Để vận chuyển các bể lớn nước nhanh chóng và hiệu quả, bạn sẽ tìm thấy máy bơm nước phù hợp với mình trong phạm vi Hyundai. Để sử dụng chuyên nghiệp và nông nghiệp ở quy mô lớn, hoặc để ngăn ngừa lũ lụt, bạn nên duyệt qua máy bơm nước xăng và máy bơm nước diesel . Đối với quy mô nhỏ trong nước và làm vườn yêu cầu, chúng tôi cũng có một lựa chọn lớn của máy bơm nước điện chìm .
 
Việc lựa chọn máy nén khí của Hyundai cũng rộng lớn và  với các mô hình phù hợp với người sử dụng hobbyist, tất cả các yêu cầu kỹ thuật đòi hỏi cao nhất. Chọn từ dây đai ổ đĩa , lái xe trực tiếp , động cơ xăng hoặc máy nén khí trục vít quay để cung cấp điện cho các công cụ và thiết bị không khí của bạn.
 
Những sản phẩm mới của công ty 330.com.vn  là những sẩm phẩm phục vụ cho thi công công trình xây dựng có các bộ phận tách đá như máy đục đá chạy xăng, máy khoan đá chạy xăng , máy đầm , máy cưa gỗ và máy cày . Những máy này cung cấp một lựa chọn thay thế hiệu quả về chi phí để thuê và phù hợp cho cả người sử dụng và thương mại.
 
Để làm cho DIY và các nhiệm vụ cải thiện nhà cửa nhanh và dễ dàng nhất có thể, phạm vi công cụ của Hyundai có cả mô hình pin lithium-ion không dây và điện. Được xây dựng cho công việc mạnh mẽ, với sự nhấn mạnh về tốc độ và độ chính xác, những công cụ này có giá cả phải chăng, dễ sử dụng và sẽ mang lại sự hoàn thiện chuyên nghiệp mỗi lần.
 
 1.Giới thiệu Máy nén khí trục quay Hyundai HY3050-50L-dòng máy nén khí chuyên nghiệp
 Máy nén khí
 Hyundai có một loạt máy nén khí năng động và mở rộng trong dòng hiện tại, bao gồm nhà, trong nước, DIY và sử dụng chuyên nghiệp. Có bốn loại máy nén khí trong series, được cung cấp bởi dây đai, ổ đĩa trực tiếp, máy nén khí trục vít và xăng. Các máy nén khí luôn luôn đạt tiêu chuẩn cao nhất và với một kích cỡ phù hợp với mọi người, bạn sẽ không tìm thấy lựa chọn tốt hơn trên thị trường
 Máy nén khí trục quay  Hyundai HY3050-50L-dòng máy nén khí chuyên nghiệp
 Các loại máy nén khí đai từ Hyundai rơi vào hạng mục "sử dụng chuyên nghiệp". Những máy được chế tạo đặc biệt này được thiết kế theo tiêu chuẩn tốt nhất, vượt qua tất cả các quy định của Châu Âu. Từ 50L đến 270L, máy nén khí này có thể đóng gói đầy đủ sức mạnh để cung cấp năng lượng ngay cả những công cụ không khí đòi hỏi khắt khe nhất để có thể hoàn thành công việc.
 Một máy nén khí mạnh mẽ cho người đam mê và người dùng chuyên nghiệp.
 Được trang bị động cơ điện 3hp với công suất tối đa 2,25kW.
 Được trang bị một bình không khí 50 lít.
 Thiết kế nhẹ và di động với bánh xe và tay cầm cài sẵn.
 Bao gồm nhiều tính năng an toàn, cài đặt tắt quá tải nhiệt, cảm biến áp lực tự động bật / tắt và van xả
 2.Đặc điểm máy nén khí  Hyundai HY3050-50L-dòng máy nén khí chuyên nghiệp
 Máy nén khí  Hyundai HY3050 là một máy nén khí có đai truyền động mạnh mẽ được thiết kế cho những người đam mê và những người sử dụng chuyên nghiệp. Được xây dựng với chất lượng công nghiệp, máy nén khí  Hyundai HY3050 được trang bị động cơ điện 3hp với công suất tối đa 2,25kW.
 Máy nén khí  Hyundai HY3050 là máy hoàn hảo cho bất kỳ và tất cả các ứng dụng chung của nhà xưởng và có thể đáp ứng được các yêu cầu sử dụng chuyên nghiệp và thương mại, nhưng với cấu trúc cực kỳ di động và bể chứa nhỏ gọn 50 lít.
Để bổ sung cho công suất và chất lượng tuyệt vời, máy nén khí  Hyundai HY3050 cũng tự hào với các tính năng an toàn ấn tượng như tắt máy quá tải, cảm biến áp lực tự động bật / tắt và van xả.
Phù hợp cho việc sử dụng trong nhà, máy nén khí  Hyundai HY3050 là điểm khởi đầu lý tưởng, vì nó được thiết kế để nhỏ nhất và nhẹ nhất trong tất cả các dòng máy chuyên dụng của máy nén Hyundai, có nghĩa là nó được chế tạo để chống lại sự khắt khe của công việc nặng nhọc. Đây là một máy nhẹ và xách tay, có bánh xe và tay cầm xây dựng, thiết kế nhỏ gọn và có hiệu quả điều khiển bởi hệ thống đai, làm tăng tuổi thọ của máy nén và giúp máy chạy êm hơn, nhưng điều chỉnh đầu ra của nó

1.Giới thiệu Máy nén khí trục quay Hyundai HY30100 100 lít-dòng máy nén khí chuyên nghiệp
 Máy nén khí
 Hyundai có một loạt máy nén khí năng động và mở rộng trong dòng hiện tại, bao gồm nhà, trong nước, DIY và sử dụng chuyên nghiệp. Có bốn loại máy nén khí trong series, được cung cấp bởi dây đai, ổ đĩa trực tiếp, máy nén khí trục vít và xăng. Các máy nén khí luôn luôn đạt tiêu chuẩn cao nhất và với một kích cỡ phù hợp với mọi người, bạn sẽ không tìm thấy lựa chọn tốt hơn trên thị trường
 Máy nén khí trục quay Hyundai HY30100 100 lít-dòng máy nén khí chuyên nghiệp
 Các loại máy nén khí đai từ Hyundai rơi vào hạng mục "sử dụng chuyên nghiệp". Những máy được chế tạo đặc biệt này được thiết kế theo tiêu chuẩn tốt nhất, vượt qua tất cả các quy định của Châu Âu. Từ 50L đến 270L, máy nén khí này có thể đóng gói đầy đủ sức mạnh để cung cấp năng lượng ngay cả những công cụ không khí đòi hỏi khắt khe nhất để có thể hoàn thành công việc.
2.Đặc điểm Máy nén khí trục quay Hyundai  HY30100 100 lít-dòng máy nén khí chuyên nghiệp
  Máy nén khí trục quay HY30100 là một máy nén không khí chuyên nghiệp được thiết kế để sử dụng trong nhà, được trang bị một máy bơm gang xi lanh 2 xi lanh, một bồn chứa 100 lít và được cung cấp bởi động cơ Hyundai 3hp, máy nén khí này có khả năng làm việc trên những công việc khó khăn và thực hiện đáng tin cậy.
Được xây dựng với chất lượng công nghiệp, Máy nén khí trục quay  HY30100 được chế tạo với một thiết bị đo áp lực kép và có bộ chuyển đổi áp lực dừng / khởi động tự động, làm cho máy nén này trở thành máy nén lý tưởng cho việc sử dụng trong nhà xưởng hàng ngày. Nó là một máy nén bánh xe, có nghĩa là thùng thu thập 100 lít rắn vẫn có thể vận chuyển từ nơi này đến nơi khác, và bánh xe và tay cầm dễ dàng di chuyển quanh xưởng sản xuất, nhưng chân cao su giữ nó bắt nguồn từ chỗ cố định.
Với áp suất tối đa 128PSI và sản lượng 12.5CFM, Máy nén khí trục quay HY30100 tốt nhất của cả hai về công suất và kích thước, và là một máy nén khí lý tưởng trong sử dụng dân dụng và các công việc nặng trong công nghiệp


 1.Giới thiệu Máy nén khí trục quay Hyundai HY3150S 150 lít -dòng máy nén khí chuyên nghiệp
 Máy nén khí
 Hyundai có một loạt máy nén khí năng động và mở rộng trong dòng hiện tại, bao gồm nhà, trong nước, DIY và sử dụng chuyên nghiệp. Có bốn loại máy nén khí trong series, được cung cấp bởi dây đai, ổ đĩa trực tiếp, máy nén khí trục vít và xăng. Các máy nén khí luôn luôn đạt tiêu chuẩn cao nhất và với một kích cỡ phù hợp với mọi người, bạn sẽ không tìm thấy lựa chọn tốt hơn trên thị trường
 Máy nén khí trục quay Hyundai  HY3150S 150 lít
 Các loại máy nén khí đai từ Hyundai rơi vào hạng mục "sử dụng chuyên nghiệp". Những máy được chế tạo đặc biệt này được thiết kế theo tiêu chuẩn tốt nhất, vượt qua tất cả các quy định của Châu Âu. Từ 50L đến 270L, máy nén khí này có thể đóng gói đầy đủ sức mạnh để cung cấp năng lượng ngay cả những công cụ không khí đòi hỏi khắt khe nhất để có thể hoàn thành công việc.
Sản lượng tối đa: 10bar / 145psi.
 Động cơ điện 3hp.
 Thùng thép cán lớn 150L.
 Sản xuất 350L / min và 12.4CFM.
 Được xây dựng để sử dụng chuyên nghiệp.
 2.Đặc điểm máy nén khí trục quay Hyundai HY3150S 150 lít -dòng máy nén khí chuyên nghiệp
 Máy nén khí trục quay Hyundai HY3150S là một phần của dòng máy nén khí chuyên nghiệp của Hyundai, được chế tạo cho những người sử dụng chuyên nghiệp trong các hội thảo, nhà để xe và các ứng dụng của nhà máy nặng. Nó tạo ra một áp suất áp suất tối đa 10bar / 145psi và được cấp năng lượng bởi một động cơ điện với đầu ra của 3hp.
Máy nén khí trục quay Hyundai này vận hành ngoài hộp trong vòng vài phút và thích hợp cho việc sử dụng trong nhà, trọng lượng chỉ 88kg, làm cho việc vận chuyển từ nơi này sang nơi khác dễ dàng hơn. Nó cũng được trang bị một thùng thép cuộn cán lớn 150L cung cấp không khí đáng kinh ngạc với công suất 350l / phút và 12.4cfm.
Bồn khí quyển lớn và động cơ mạnh mẽ có nghĩa là máy nén khí đai không khí này có khả năng cung cấp các công cụ và thiết bị không khí đòi hỏi khắt khe. Nó được chế tạo với bơm áp suất cao với xy lanh bằng gang cho tuổi thọ dài hơn và chạy êm hơn. Máy nén khí trục quay Hyundai này có các tính năng bổ sung bao gồm bảo vệ quá tải nhiệt, cảm biến áp lực tự động bật / tắt công tắc, van xả và bánh lái khí động học.





          Hướng dẫn sử dụng Máy nén khí Models HY3050, HY30100 & HY3150



                               NỘI DUNG
chương sách
1. AN TOÀN
2. KẾT LUẬN - HƯỚNG DAN
3. ĐỊA ĐIỂM PHẦN
4. AN TOÀN Đ BIỆT
5. HOẠT ĐỘNG, BẢO TRÌ & XỬ LÝ
6. ĐAC  ĐIỂM
7. Sơ đồ đường dây
8. THÔNG TIN CHUNG LIÊN HỆ
9. TUYÊN BỐ VỀ SỰ PHÙ HỢP
10. TÁI CHẾ
1. AN TOÀN
1.1. Người điều khiển máy;
1.1.1. Chịu trách nhiệm và có trách nhiệm đảm bảo rằng máy nén được vận hành an toàn và phù hợp với hướng dẫn trong hướng dẫn sử dụng này.
1.1.2. Không bao giờ nên để nó trong một điều kiện mà sẽ cho phép một người không được đào tạo hoặc trái phép / s để vận hành máy nén này.
1.1.2.1. Nên cẩn thận và cẩn thận kiểm tra sự an toàn của và đối với những người xung quanh khi sử dụng máy, bao gồm nhưng không giới hạn;
1.1.2.1.1. Người cao tuổi, trẻ em, vật nuôi, vật nuôi và tài sản.
1.2. Một số hoặc tất cả các Dấu Hiệu Cảnh Báo và Các Dấu Hiệu Cảnh Báo PPE sau đây có thể xuất hiện trong toàn bộ cuốn cẩm nang này và bạn phải tuân thủ các cảnh báo của họ. Việc không làm như vậy có thể gây ra thương tích cá nhân
Quần áo bảo hộ cá nhân (PPE)

 
 
Dấu hiệu Cảnh báo và Biểu tượng - TRÁNH thông điệp an toàn để tránh hoặc giảm thiểu nguy cơ thương tích hoặc tử vong

NGUY HIỂM - chỉ ra một nguy cơ mà nếu không tránh được có thể gây ra tổn thương nghiêm trọng hoặc tử vong

CẢNH BÁO - cho thấy sự nguy hiểm mà nếu không bị phát hiện có thể dẫn đến tổn thương nghiêm trọng hoặc tử vong

THẬN TRỌNG - chỉ ra một nguy cơ mà nếu không tránh được có thể dẫn đến thương tích nhẹ hoặc vừa.

LƯU Ý - cho biết tình huống có thể dẫn đến thiệt hại thiết bị dễ dàng

ĐỌC HƯỚNG DAN
 

EXPLOSION- Nổ

FIRE- NGỌN LỬA
 ELECTRIC SHOCK- ĐIỆN GIẬT
TOXIC  FUMES- KHÓI ĐỘC

KICKBACK- lực đẩy

FLUID INJECTION- CHỐNG THẤM

HOT SURFACE- BỀ MẶT NÓNG

FLYING OBJECTS- ĐÁNH MÌNH

SLIPPERY - TRƠN

FALL - NGÃ

MOVING PARTS - BỘ PHẬN CHUYỂN ĐỘNG

HOSES UNDER PRESSURE- HOSE THEO ÁP LỰC
 GOGGLES- TÌM KIẾM GOGGLES
DO NOT OPEN WHEN IN USE- KHÔNG mở ra khi sử dụng

RISK OF  ACCIDENTAL START- UP- RỦI RO MÁY BAT ĐẦU
     
 
1.3. An toàn điện.
1.3.1. Điện có thể giết - không bao giờ làm việc trên thiết bị LIVE / ENERGIZED.
1.3.2. Xác định cách cách điện và luôn cô lập tất cả các nguồn cung cấp điện, trước khi thực hiện công việc bảo trì
1.3.3. Trước khi sử dụng và với tất cả các thiết bị điện phân lập kiểm tra tất cả các dây cáp điện, phích cắm và các kết nối cho những điều sau.
1.3.3.1. Là nguyên vẹn và không có dấu hiệu hư hỏng, bao gồm nhưng không giới hạn ở dây trần, chaffing, vết cắt và dây điện. Nếu có dấu hiệu hư hỏng, vật phẩm bị hư hỏng phải được đưa ra sử dụng cho tới khi người sửa chữa đã được sửa chữa.
1.3.4. Tất cả các đuôi cáp phải được định tuyến để không gây ra bất kỳ loại nguy hiểm nào.
1.3.5. Không bao giờ làm việc trên hoặc gần điện với bàn tay, quần áo ướt và găng tay ướt
2. giải nén - SỬ DỤNG HƯỚNG DẪN.
   1
  2  3
5
67
89101112
13
26 27 28 29 30 31 32 33 34 35 36 37 38 39 40 41


3. PHẦN VỊ TRÍ
                               
1. ĐIỀU KHIỂN TRỰC TIẾP TRỰC TIẾP TRỰC TIẾP.
2. TANK.- dung tích thùng chứa
3. GIẢM ÁP ÁP LỰC.
4. BẢO QUÂN.
5. ĐƠN GIÁM SÁT.
6. MOTOR ĐIỆN.
7. ÁP SUẤT bật mở điện.
8. KIỂU ÁP LỰC.
9. VÒNG PIVOT.
10. HỆ THỐNG XÂY DỰNG.
11. XE MÁY.
12. KIỂM TRA VAN


4. AN TOÀN RIÊNG BIỆT
Đọc và hiểu tất cả các hướng dẫn vận hành, các biện pháp đề phòng an toàn và cảnh báo trong Hướng dẫn sử dụng trước khi vận hành hoặc bảo trì máy nén này.
Hầu hết các tai nạn do vận hành và bảo dưỡng máy nén gây ra do không tuân thủ các quy tắc an toàn cơ bản hoặc các biện pháp phòng ngừa. Một tai nạn thường có thể tránh được bằng cách nhận ra tình huống có khả năng gây nguy hiểm trước khi xảy ra và bằng cách tuân thủ các quy trình an toàn thích hợp. Các biện pháp phòng ngừa cơ bản được nêu trong mục "AN TOÀN" của Hướng dẫn sử dụng này và trong các phần có hướng dẫn vận hành và bảo dưỡng. Các mối nguy hiểm cần tránh để ngăn ngừa thương tật hoặc thiệt hại máy móc được xác định bằng Chú giải trên máy nén và trong Hướng dẫn sử dụng này. Không bao giờ sử dụng máy nén này theo cách mà nhà sản xuất không khuyến cáo đặc biệt, trừ khi bạn lần đầu tiên xác nhận rằng việc sử dụng theo kế hoạch sẽ an toàn cho bạn và người khác.
CÁC HƯỚNG DAN AN TOÀN QUAN TRỌNG AN TOÀN QUAN TÂM VỀ SỬ DỤNG NÉN
 CẢNH BÁO- Cái chết hoặc thương tích cơ thể nghiêm trọng có thể là kết quả của việc sử dụng máy nén không đúng cách hoặc không an toàn. Để tránh những rủi ro này, hãy làm theo các hướng dẫn an toàn cơ bản này
BÀI  ĐỌC HƯỚNG DẪN
4.1 Không bao giờ chạm vào các bộ phận chuyển động Không bao giờ đặt tay, ngón tay hoặc các bộ phận cơ thể khác gần các bộ phận chuyển động của máy nén.
4.2 Không bao giờ hoạt động mà không có tất cả các vệ sĩ tại chỗ. Không bao giờ vận hành máy nén này mà không có tất cả các bảo vệ hoặc các tính năng an toàn tại chỗ và làm việc đúng trật tự. Nếu bảo trì hoặc bảo dưỡng đòi hỏi phải tháo bỏ một bộ phận bảo vệ hoặc các tính năng an toàn, hãy chắc chắn thay thế bộ phận bảo vệ hoặc tính năng an toàn trước khi nối lại hoạt động của máy nén
4.3 Luôn luôn mang kính bảo vệ mắt. Luôn mang kính an toàn hoặc bảo vệ mắt tương đương. Không khí nén không bao giờ được nhằm vào bất cứ ai hay bất kỳ phần nào của cơ thể.
4.4 Bảo vệ bạn khỏi những cú sốc điện. Ngăn ngừa sự tiếp xúc của cơ thể với các bề mặt nối đất như đường ống, bộ tản nhiệt, dàn và tủ lạnh. Không bao giờ vận hành máy nén ở những nơi ẩm ướt.
4.5 Ngắt kết nối máy nén. Luôn ngắt kết nối máy nén ra khỏi nguồn điện và lấy khí nén ra khỏi bình không khí trước khi phục vụ, kiểm tra, bảo trì, làm sạch, thay thế hoặc kiểm tra bất kỳ bộ phận nào
4.6 Tránh không chủ ý bắt đầu. KHÔNG mang theo hoặc di chuyển máy nén trong khi nó được nối với nguồn điện hoặc khi bể chứa khí nạp đầy không khí nén. Đảm bảo núm của công tắc áp suất ở vị trí "T OFFT" trước khi nối máy nén với nguồn điện.
4.7 Bảo quản máy nén đúng cách. Khi không sử dụng, máy nén phải được bảo quản ở nơi khô ráo. Tránh xa tầm tay trẻ em. Khóa khu vực lưu trữ.
4.8 Giữ cho khu vực làm việc sạch sẽ. Các khu vực lộn xộn gây thương tích. Xoá tất cả các khu vực làm việc của các công cụ không cần thiết, mảnh vỡ, đồ đạc vv
4.9 Giữ trẻ em xa. Tất cả khách du lịch nên được giữ an toàn ra khỏi khu vực làm việc.
4.10 Ăn mặc đúng cách. KHÔNG mặc quần áo rộng hoặc trang sức. Chúng có thể bị bắt trong các bộ phận chuyển động. Mang bao bọc tóc bảo vệ để chứa tóc dài.
4.11 KHÔNG lạm dụng dây dẫn điện. Không bao giờ yank nó để ngắt kết nối từ khay tiếp nhận. Giữ dây dẫn điện từ nhiệt, dầu và các cạnh sắc
4.12 Duy trì máy nén cẩn thận. Làm theo hướng dẫn để bôi trơn. Kiểm tra điện dẫn định kỳ và nếu bị hư hỏng, đã được sửa chữa bởi cơ sở dịch vụ ủy quyền. Kiểm tra các đầu nối mở theo định kỳ và thay thế nếu bị hỏng.
4.13 Các đầu mở rộng ngoài trời. Khi máy nén được sử dụng ngoài trời, chỉ sử dụng các đầu nối mở rộng dành cho việc sử dụng ngoài trời và đánh dấu như vậy.
4.14 Luôn cảnh giác. Xem bạn đang làm gì Sử dụng suy nghĩ thông thường. KHÔNG vận hành máy nén khi bạn mệt. Máy nén không nên sử dụng bởi bạn nếu bạn bị ảnh hưởng của rượu, ma túy hoặc thuốc làm bạn buồn ngủ
4.15 Kiểm tra các bộ phận bị hư hỏng và rò rỉ khí. Trước khi sử dụng máy nén, nếu một bộ phận bảo vệ hoặc một bộ phận khác bị hỏng, cần kiểm tra cẩn thận để xác định rằng nó sẽ hoạt động đúng và thực hiện đúng chức năng của nó. Kiểm tra sự liên kết của các bộ phận chuyển động, ràng buộc các bộ phận chuyển động, vỡ các bộ phận, lắp, không khí
Rò rỉ, và bất kỳ điều kiện khác có thể ảnh hưởng đến hoạt động của nó. Người bảo vệ hoặc bộ phận khác bị hư hỏng phải được sửa chữa đúng hoặc thay thế bởi trung tâm dịch vụ được uỷ quyền, trừ khi có chỉ dẫn khác ở nơi khác trong hướng dẫn sử dụng này. Có thiết bị chuyển đổi áp suất bị hỏng thay thế bằng trung tâm dịch vụ được ủy quyền. KHÔNG sử dụng máy nén nếu công tắc không bật và tắt
4.16 Xử lý máy nén chính xác. Vận hành máy nén theo hướng dẫn trong tài liệu này. Không bao giờ cho phép máy nén được vận hành bởi trẻ em, những người không quen thuộc với hoạt động của nó hoặc nhân viên không được phép.
4.17 Giữ tất cả các vít, bu lông và nắp đậy chặt chẽ và tại chỗ. Giữ tất cả các vít, bu lông, và bao gồm chặt chẽ. Kiểm tra tình trạng của chúng theo định kỳ.
4.18 Luôn giữ sạch sẽ. Ống thông khí động cơ phải được giữ sạch sẽ để không khí có thể luân chuyển tự do vào mọi lúc. Kiểm tra để xây dựng bụi thường xuyên.
4.19 Luôn vận hành máy nén tại điện áp định mức. Vận hành máy nén tại các điện áp quy định trên biển hiệu của chúng. Nếu sử dụng máy nén ở điện áp cao hơn điện áp định mức, nó sẽ gây ra cuộc cách mạng động cơ nhanh bất thường và có thể làm hỏng thiết bị và đốt cháy động cơ
4.20 Không bao giờ sử dụng máy nén có khiếm khuyết hoặc đang hoạt động bất thường. Nếu máy nén xuất hiện hoạt động bất thường, gây tiếng ồn lạ hoặc có vẻ như bị lỗi, hãy ngưng sử dụng ngay và sắp xếp sửa chữa bởi trung tâm dịch vụ được ủy quyền.
4.21 KHÔNG lau các bộ phận bằng nhựa với dung môi. Các dung môi như xăng, chất pha loãng, benzen, cacbon tetrachlorua và cồn có thể làm hỏng và làm vỡ các bộ phận bằng nhựa. KHÔNG nên lau chúng với dung môi như vậy. Lau các bộ phận bằng nhựa bằng một tấm vải mềm nhẹ làm ẩm bằng nước xà phòng và khô hoàn toàn.
4.22 Chỉ sử dụng các bộ phận thay thế chính hãng. Các bộ phận thay thế không chính hãng có thể làm mất hiệu lực bảo hành của bạn và có thể dẫn đến trục trặc và dẫn đến thương tích. Các bộ phận chính hãng có sẵn từ đại lý của bạn.
4.23 KHÔNG sửa đổi máy nén. KHÔNG sửa đổi máy nén. Luôn liên hệ với trung tâm dịch vụ ủy quyền để được sửa chữa. Sửa đổi trái phép không chỉ làm giảm hiệu suất của máy nén nhưng cũng có thể dẫn đến tai nạn hoặc thương tích cho nhân viên sửa chữa không có kiến ​​thức và chuyên môn cần thiết để thực hiện các hoạt động sửa chữa chính xác
4.24 Tắt công tắc áp suất khi máy nén không sử dụng. Khi không sử dụng máy nén, xoay núm của công tắc áp suất OFF, ngắt nó ra khỏi nguồn điện và mở cống để xả khí nén ra khỏi bể khí.
4.25 Không bao giờ chạm vào bề mặt nóng. Để giảm nguy cơ bỏng, KHÔNG chạm vào ống, đầu, xi lanh và động cơ
4.26 KHÔNG hướng luồng khí ở thân. KHÔNG hướng luồng không khí ở người hoặc động vật. Có nguy cơ thương tích, bằng cách chỉ đạo luồng không khí ở người hoặc động vật.
4.27 Thùng thoát nước. Drain tank mỗi ngày hoặc sau 4 giờ sử dụng. Mở nắp ống và máy nén độ nghiêng để làm sạch nước tích lũy.
4.28 KHÔNG dừng máy nén bằng cách kéo phích cắm. Sử dụng nút "AUTO / OFF" của công tắc áp suất. 4.29 Chỉ sử dụng các bộ phận xử lý không khí được khuyến cáo chấp nhận áp suất không dưới 125 Psi (8,6 Bar). Rủi ro vỡ. Chỉ sử dụng các bộ phận xử lý không khí được khuyến cáo áp dụng cho áp suất không dưới 125 psi (8,6 thanh).
4.30 Các bộ phận thay thế. Khi phục vụ chỉ sử dụng các bộ phận thay thế giống nhau. Việc sửa chữa chỉ nên được thực hiện bởi trung tâm dịch vụ được ủy quyền
4.31 Hướng dẫn nối đất (đấu nối đất).
  4.31.1 Máy nén này nên được nối đất (nối đất) trong khi sử dụng để bảo vệ người vận hành khỏi bị điện giật.
  4.31.2 Máy nén được trang bị đầu cắm ba dây dẫn và phích cắm đất nối đất ba chân để phù hợp với đầu nối đất tiếp đất.
  4.31.3 Dây dẫn màu xanh lục và vàng dẫn đầu là dây nối đất / đất.
  4.31.4 Không bao giờ kết nối dây màu xanh lá cây và màu vàng với một thiết bị đầu cuối trực tiếp
4.32 Các đầu mở rộng
   4.32.1 Chỉ sử dụng ba dây dẫn mở rộng có phích cắm đất nối đất ba chân (nối đất) và ổ cắm ba cực chấp nhận phích cắm của máy nén.
  4.32.2 Thay thế hoặc sửa chữa chì hỏng. Đảm bảo rằng tiện ích mở rộng của bạn ở trong tình trạng tốt. Khi sử dụng một chìa khóa mở rộng, hãy chắc chắn sử dụng một vật nặng đủ để mang theo sản phẩm hiện tại của bạn sẽ rút ra. Một dẫn không lớn sẽ gây ra một sự sụt điện áp dòng dẫn đến mất điện và quá nóng. Các bảng dưới đây cho biết kích thước chính xác để sử dụng tùy thuộc vào chiều dài chì và bảng tên ampere rating. Nếu nghi ngờ, sử dụng thiết bị đo nặng hơn kế tiếp.
 CẢNH BÁO- Tránh nguy cơ bị điện giật. Không bao giờ sử dụng máy nén này với một dây dẫn điện bị hư hỏng hoặc bị sờn hoặc dây dẫn mở rộng. Kiểm tra tất cả các dây điện thường xuyên. Không sử dụng ở gần nước hoặc trong bất kỳ môi trường nào có thể gây sốc điện.
                  Chuyển hướng. 1 MỤC ĐÍCH CHO MẠCH LƯỢNG AMAX 20mt một pha
                   CV                           KW                         220/230V                     110/120V
                                                                                      mm2                             mm2
                  0.75 – 1                0.65– 0.7                         1.5                              2.5
                    1.5                            1.1                              2.5                               4
                    2                               1.5                              2.5                              4-6
                  2.5–3                      1.8 – 2.2                        4                                  /
Đường kính của phần mở rộng phạm vi của bộ máy nén 3 pha phải tương xứng với chiều dài: có thể mở rộng (tab2)
Chuyển hướng  2 PHẦN SỐ ĐIỂM MỘT SỐ MtT ba pha
CV kW 220/230V 380/400V
  mm2 mm2
2 – 3 – 4 1.5–2.2–3 2.5 1.5
5.5 4 4 2
7.5 5.5 6 2.5
10 7.5 10 4
 
5. HOẠT ĐỘNG VÀ BẢO TRÌ
LƯU Ý- Thông tin trong Hướng dẫn sử dụng này được thiết kế để giúp bạn vận hành và bảo dưỡng máy nén một cách an toàn. Một số minh hoạ trong Hướng dẫn sử dụng này có thể cho thấy chi tiết hoặc tài liệu đính kèm khác với những gì trên máy nén của bạn
5.1 Cài đặt
    5.1.1 Tháo máy nén ra khỏi bao bì (hình 1), đảm bảo nó ở trong tình trạng hoàn hảo, kiểm tra nếu nó đã bị hư hỏng trong quá trình vận chuyển và thực hiện các thao tác sau.
    5.1.2 Lắp các bánh xe và miếng cao su lên các bồn chứa mà chúng chưa được lắp, theo các hướng dẫn trong hình 2. Trong trường hợp bánh xe bơm hơi, áp suất lạm phát tối đa phải là 1,6 bar (24 psi).
    5.1.3 Vị trí máy nén trên bề mặt phẳng hoặc với độ nghiêng cho phép tối đa là 10 ° (hình 3), ở nơi thoáng mát, được bảo vệ chống lại các tác nhân khí quyển a và không ở nơi có nguy cơ nổ
    5.1.4 Nếu bề mặt nghiêng và mịn, kiểm tra xem máy nén có đang di chuyển trong khi vận hành không - nếu có, bảo đảm các bánh xe có hai nêm
    5.1.5 Nếu bề mặt là một khung hoặc một đầu kệ, đảm bảo nó không thể rơi, bảo vệ nó một cách phù hợp
    5.1.6 Để đảm bảo thông gió tốt và làm mát hiệu quả, cần bảo vệ đai đai nén ít nhất 100 cm từ bất kỳ bức tường nào (Hình 4)
    5.1.7 Các máy nén được gắn trên bình, với chân cố định, không nên được gắn chặt vào mặt đất. Trong trường hợp này, chúng tôi khuyên bạn nên lắp 4 bộ chống rung
5.2 Hướng dẫn sử dụng
   5.2.1 Cẩn thận để vận chuyển máy nén, không lật hoặc nhấc nó bằng các móc hoặc dây thừng (hình 5 - 6)
   5.2.2 Thay nắp nhựa trên nắp đậy bảo vệ (hình 7 - 8) bằng thanh mức dầu (hình 9) hoặc với phích cắm phích cắm hơi (hình 10), kèm theo hướng dẫn sử dụng.
   5.2.3 Kiểm tra mức dầu, tham khảo các nhãn hiệu trên thanh (hình 9) hoặc cửa sổ kiểm tra mức dầu (hình 11).
5.3 Kết nối điện
   5.3.1 Máy nén một pha được cung cấp với một dây cáp điện và một phích cắm đất 3 chân. Máy nén phải được nối với ổ điện nối đất (hình 12).
  5.3.2 Máy nén ba pha (L1 + L2 + L3 + PE) phải được lắp đặt bởi một chuyên viên kỹ thuật. Máy nén ba pha được cung cấp mà không cần cắm. Nối phích cắm, với vòng đệm vít và đai an toàn (hình 13), vào cáp, tham khảo bảng dưới đây.
 
HP kW Nguồn cung cấp volt / ph Plug mô hình
2–3 –4 1.5–2.2–3 220/380/3
    230/400/3 16A 3 cực + mặt đất
5.5–7.5–10 4–5.5–7.5 220/380/3
    230/400/3 32A 3 cực + mặt đất
LƯU Ý- Các máy nén được lắp đặt trên bồn chứa 500 lít, có công suất HP7,5 / 55 kW và HP10 / 7,5 kW có thể được cung cấp một bộ điều khiển khởi động ngôi sao / tam giác, trong khi TAN DEM (2 bộ phận bơm trên cùng một bể chứa) Bộ điều khiển hẹn giờ cho sự khởi đầu của hai yếu tố bơm.
5.4 Hướng dẫn cài đặt:
   5.4.1 Bảo đảm hộp kiểm soát trên tường hoặc trên một giá đỡ cố định, và cung cấp cho nó một dây cáp điện với phích cắm, có đường kính tương ứng với chiều dài của nó.
   5.4.2 Bất kỳ thiệt hại gây ra bởi các kết nối không chính xác của đường dây điện vào nguồn điện, tự động loại trừ bảo hành của các bộ phận điện. Để tránh lỗi kết nối, chúng tôi khuyên bạn nên liên hệ với một chuyên viên kỹ thuật.
QUAN TRỌNG:
Không sử dụng dây đất (đất) thay vì dây trung tính. Các kết nối mặt đất phải được thực hiện để đáp ứng các tiêu chuẩn an toàn (EN 60204). Không được sử dụng phích cắm của cáp điện như một công tắc, nhưng phải được lắp vào ổ cắm điện được điều khiển bởi bộ phận chuyển đổi khác nhau phù hợp.
5.5 Bắt đầu
   5.5.1 Kiểm tra xem các nguồn điện phù hợp có được ghi trên bảng điện dữ liệu (hình 14) - phạm vi cho phép chấp nhận được là +/- 5%.
   5.5.2 Khi khởi động máy nén đầu tiên hoạt động bằng điện áp 3 pha, kiểm tra hướng quay của quạt làm mát bằng cách so sánh với hướng mũi tên trên băng bảo vệ đai hoặc trên vỏ bảo vệ. Trong máy nén SILENT, kiểm tra xem luồng không khí có theo hướng minh họa trong hình vẽ 21A không.
   5.2.3 Bật hoặc nhấn vào vị trí "0" (theo loại núm áp suất được lắp trên thiết bị) núm đặt ở phần trên (hình 15).
   5.2.4 Phích cắm phích cắm vào ổ cắm điện (hình 12 - 13) và khởi động máy nén, xoay núm điều chỉnh áp suất vào vị trí "I".
   5.2.5 Máy nén hoàn toàn tự động, và được điều khiển bởi bộ chuyển đổi áp lực dừng lại khi áp suất bể đạt đến giá trị lớn nhất và khởi động lại khi rơi xuống giá trị nhỏ nhất. Chênh lệch áp suất giữa các giá trị cực đại và cực tiểu thường là khoảng 2 bar (29 psi).
VÍ DỤ. Máy nén dừng lại khi đạt đến 8 bar (116 psi - áp suất vận hành tối đa) và khởi động lại tự động khi áp suất trong bể giảm xuống còn 6 bar (87 psi). Sau khi kết nối máy nén với đường dây điện, nạp nó vào áp suất tối đa và kiểm tra chính xác cách vận hành của máy.
5.6 Máy nén khí có bộ điều khiển khởi động kiểu D (Hình 16).
   5.3.1 Lắp phích cắm của ổ cắm điện (hình 13) và chuyển công tắc áp suất sang vị trí "I" (ON) (Hình 17). Bật công tắc nguồn "A" trên bộ điều khiển sang vị trí I - bật nguồn được báo hiệu bằng đèn chỉ báo màu trắng "E" đang hoạt động. Chuyển công tắc "B" sang vị trí 1 để khởi động máy nén. Nếu đèn báo "solenoid valve" "D" và đèn chỉ thị (C) động cơ (C) tiếp tục theo thứ tự này, điều này có nghĩa là máy hoạt động bình thường (hình 18).
5.7 Máy nén  mạch nối tiếp với bộ điều khiển hẹn giờ. (Hình 17)
   5.7.1 Phích cắm phích cắm vào ổ cắm điện (hình 13) và chuyển công tắc áp suất sang vị trí "I" (ON). Bật công tắc nguồn "A" trên bộ điều khiển sang vị trí I - power On được báo hiệu bằng đèn báo "E" màu trắng đang hoạt động.
   5.7.2 Bật công tắc "B" để khởi động máy nén.
      5.7.2.1 Pos 1 thành phần bơm n 1 chỉ đang hoạt động
      5.7.2.2 Pos 2 thành phần bơm n 2 chỉ đang hoạt động
      5.7.2.3 Pos 3 cả hai yếu tố bơm đang hoạt động đồng thời, lúc thời gian bắt đầu chập chờn.
   5.7.3 Máy nén hoàn toàn tự động, và được điều khiển bởi bộ chuyển đổi áp suất dừng lại khi áp suất bể đạt đến giá trị lớn nhất và khởi động lại khi nó đạt tới giá trị nhỏ nhất.
LƯU Ý -Đầu / ống xả / ống phân phối có thể đạt đến nhiệt độ cao. Cẩn thận khi làm việc gần những bộ phận này, và đừng đụng vào chúng để tránh bị bỏng (hình 18 - 19).
QUAN TRỌNG
Máy nén điện phải được kết nối với ổ điện được bảo vệ bởi bộ chuyển đổi chênh lệch thích hợp (bộ phận ngắt nhiệt). Động cơ của máy nén GM-TR được trang bị một máy cắt nhiệt tự động nằm bên trong cuộn dây - điều này sẽ làm ngừng máy nén khi nhiệt độ động cơ đạt đến mức cao. Nếu máy ngắt bị ngắt, máy nén khởi động lại tự động sau 10 đến 15 phút. Động cơ của máy nén VX được cung cấp với một bộ tự động tự động thiết lập lại nhiệt amperometric, nằm bên ngoài vỏ bảng đầu cuối. Khi máy ngắt bị đình trệ, chờ vài phút và sau đó đặt lại bộ phận ngắt bằng tay (Hình 20). Động cơ của máy nén AB series được cung cấp với một bộ giảm tốc amperometric bằng tay, đặt trên vỏ bảng đầu cuối. Khi máy ngắt bị đình trệ, chờ vài phút và sau đó đặt lại bộ phận ngắt bằng tay (Hình 20). Thiết bị an toàn là tự động trong máy nén ba pha và im lặng. Khi bộ phận ngắt nhiệt bị dừng, công tắc áp suất sẽ được giải phóng ở vị trí "0" (OFF). Đợi một vài phút và quay trở lại vị trí "I" (ON) (trừ các mô hình: AB 100 / 245-335 Ba pha - AB 150 / 245-335 Ba pha - AB 200 / 245- 335 Threephase). Đối với máy nén có bộ điều khiển, bộ phận ngắt nhiệt được lắp đặt bên trong bộ điều khiển. Khi máy cắt nhiệt bị vấp, hãy làm theo các bước dưới đây (Hình 22): Bật công tắc trên nắp bộ phận điều khiển tới vị trí "0", mở nắp và nhấn nút 1 của bộ phận ngắt nhiệt. Đóng nắp của bộ điều khiển và khởi động lại máy nén, quan sát các hoạt động được mô tả trong đoạn "Bắt đầu máy nén với bộ điều khiển".
Các hướng dẫn tương tự áp dụng cho máy nén chạy ở tần số 60 Hz.
5.8 Điều chỉnh áp suất vận hành (Hình 23).
  5.8.1 Bạn không phải sử dụng áp lực vận hành tối đa mọi lúc. Ngược lại, công cụ khí nén được sử dụng thường đòi hỏi ít áp lực. Trên máy nén có giảm áp lực, áp suất vận hành phải được điều chỉnh chính xác.
  5.8.2 Nhả nút giảm áp bằng cách kéo nó lên, điều chỉnh áp suất lên giá trị yêu cầu bằng cách xoay núm theo chiều kim đồng hồ để tăng áp suất và ngược chiều kim đồng hồ để giảm nó.
  5.8.3 Khi bạn đã có được áp suất tối ưu, khóa núm bằng cách ấn nó xuống (Hình 23). Đối với bộ giảm áp được trang bị mà không có máy đo áp suất, áp suất thiết lập có thể được nhìn thấy trên thang đo tốt nghiệp nằm trên thân giảm tốc
5.8 Máy nén khí Tandem với bộ điều khiển hẹn giờ. (Hình 17)
   5.8.1 .1 Lắp phích cắm vào ổ cắm điện (hình 13) và chuyển công tắc áp suất sang vị trí "I" (ON). Bật công tắc nguồn "A" trên bộ điều khiển sang vị trí I nguồn Bật được báo hiệu bằng đèn chỉ báo màu trắng "E" đang hoạt động.
   5.8.2 .2 Bật nút "B" để khởi động máy nén
      5.8.2.1 .1 Pos 1 thành phần bơm n 1 chỉ đang hoạt động
      5.8.2.2 .2 Pos. 2 thành phần bơm n 2 chỉ đang hoạt động
      5.8.2.3 .3 Pos 3 cả hai yếu tố bơm đang hoạt động đồng thời, lúc thời gian bắt đầu chập chờn.
   5.8.3 .3 Máy nén hoàn toàn tự động, và được điều khiển bởi bộ chuyển đổi áp lực dừng lại khi áp suất bể đạt đến giá trị lớn nhất và khởi động lại khi rơi xuống giá trị nhỏ nhất.
Đầu / ống xả / ống phân phối có thể đạt đến nhiệt độ cao. Cẩn thận khi làm việc gần những bộ phận này, và đừng đụng vào chúng để tránh bị bỏng (hình 18 - 19).
QUAN TRỌNG

Máy nén điện phải được kết nối với ổ điện được bảo vệ bởi bộ chuyển đổi chênh lệch thích hợp (bộ phận ngắt nhiệt). Động cơ của máy nén GM-TR được trang bị một máy cắt nhiệt tự động nằm bên trong cuộn dây - điều này sẽ làm ngừng máy nén khi nhiệt độ động cơ đạt đến mức cao. Nếu máy ngắt bị ngắt, máy nén khởi động lại tự động sau 10 đến 15 phút. Động cơ của máy nén VX được cung cấp với một bộ tự động tự động thiết lập lại nhiệt amperometric, nằm bên ngoài vỏ bảng đầu cuối. Khi máy ngắt bị đình trệ, chờ vài phút và sau đó đặt lại bộ phận ngắt bằng tay (Hình 20). Động cơ của máy nén AB series được cung cấp với một bộ giảm tốc amperometric bằng tay, đặt trên vỏ bảng đầu cuối. Khi máy ngắt bị đình trệ, chờ vài phút và sau đó đặt lại bộ phận ngắt bằng tay (Hình 20). Thiết bị an toàn là tự động trong máy nén ba pha và im lặng. Khi bộ phận ngắt nhiệt bị dừng, công tắc áp suất sẽ được giải phóng ở vị trí "0" (OFF). Đợi vài phút và quay trở lại vị trí "I" (ON) (trừ các mô hình: AB 100 / 245-335 Ba pha - AB 150 / 245-335 Ba pha -AB 200 / 245- 335 Threephase). Đối với máy nén có bộ điều khiển, bộ phận ngắt nhiệt được lắp đặt bên trong bộ điều khiển. Khi máy cắt nhiệt bị vấp, hãy làm theo các bước dưới đây (Hình 22): Bật công tắc trên nắp bộ phận điều khiển tới vị trí "0", mở nắp và nhấn nút 1 của bộ phận ngắt nhiệt. Đóng nắp của bộ điều khiển và khởi động lại máy nén, quan sát các hoạt động được mô tả trong đoạn "Bắt đầu máy nén với bộ điều khiển".
Các hướng dẫn tương tự áp dụng cho máy nén chạy ở tần số 60 Hz.
5.9 Điều chỉnh áp suất vận hành (Hình 23).
  5.9.1 .1 Bạn không phải sử dụng áp lực vận hành tối đa mọi lúc. Ngược lại, công cụ khí nén được sử dụng thường đòi hỏi ít áp lực. Trên máy nén có giảm áp lực, áp suất vận hành phải được điều chỉnh chính xác.
  5.9.2 .2 Nhả nút giảm áp bằng cách kéo nó lên, điều chỉnh áp suất lên giá trị yêu cầu bằng cách xoay núm theo chiều kim đồng hồ để tăng áp suất và ngược chiều kim đồng hồ để giảm nó.
  5.9.3 .3 Khi bạn đã có được áp suất tối ưu, khóa núm bằng cách ấn nó xuống (Hình 23). Đối với bộ giảm áp được trang bị mà không có máy đo áp lực, áp suất thiết lập có thể được nhìn thấy trên thang đo tốt nghiệp nằm trên thân giảm tốc.
5.10 Máy nén mạch nối tiếp với bộ điều khiển hẹn giờ. (Hình 17).
  5.10.1 .1 Lắp phích cắm của ổ cắm điện (hình 13) và chuyển công tắc áp suất sang vị trí "I" (ON). Bật công tắc nguồn "A" trên bộ điều khiển sang vị trí I - bật nguồn được báo hiệu bằng đèn chỉ báo màu trắng "E" đang hoạt động.
  5.10.2 .2 Bật nút "B" để khởi động máy nén.
   5.10.2.1 .1 Pos 1 thành phần bơm n 1 chỉ đang hoạt động
   5.10.2.2 .2 Pos. 2 thành phần bơm n 2 chỉ đang hoạt động
   5.10.2.3 .3 Pos 3 cả hai yếu tố bơm đang hoạt động đồng thời, lúc thời gian bắt đầu thay đổi
  5.10.3 .3 Máy nén hoàn toàn tự động, và được điều khiển bởi bộ chuyển đổi áp lực dừng lại khi áp suất bể đạt đến giá trị lớn nhất và khởi động lại khi rơi xuống giá trị nhỏ nhất.
Đầu / ống xả / ống phân phối có thể đạt đến nhiệt độ cao. Cẩn thận khi làm việc gần những bộ phận này, và đừng đụng vào chúng để tránh bị bỏng (hình 18 - 19).
QUAN TRỌN
G
Máy nén điện phải được kết nối với ổ điện được bảo vệ bởi bộ chuyển đổi chênh lệch thích hợp (bộ phận ngắt nhiệt). Động cơ của máy nén GM-TR được trang bị một máy cắt nhiệt tự động nằm bên trong cuộn dây - điều này sẽ làm ngừng máy nén khi nhiệt độ động cơ đạt đến mức cao. Nếu máy ngắt bị ngắt, máy nén khởi động lại tự động sau 10 đến 15 phút. Động cơ của các mô hình máy nén VX được cung cấp với một bộ tự động khởi động tự động nhiệt amperometric nhiệt breaker, nằm bên ngoài bao gồm bảng đầu cuối.
Khi máy ngắt bị đình trệ, chờ vài phút và sau đó đặt lại bộ phận ngắt bằng tay (Hình 20). Các động cơ của máy nén AB series được cung cấp với một thiết lập lại bằng tay amperometric hermal-breaker, nằm trên bìa bảng cuối. Khi máy ngắt bị đình trệ, chờ vài phút và sau đó đặt lại bộ phận ngắt bằng tay (Hình 20). DAVICE an toàn là tự động trong máy nén ba pha và im lặng. Khi bộ phận ngắt nhiệt bị dừng, công tắc áp suất sẽ được giải phóng ở vị trí "0" (OFF). Đợi một vài phút và quay trở lại vị trí "I" (ON) (trừ các mô hình: AB 100 / 245-335 Ba pha - AB 150 / 245-335 Ba pha - AB 200 / 245- 335 Threephase). Đối với máy nén có bộ điều khiển, bộ phận ngắt nhiệt được lắp đặt bên trong bộ điều khiển. Khi máy cắt nhiệt bị ngắt, hãy làm theo các quy trình sau (hình 22): Bật các công tắc trên nắp bộ phận điều khiển tới vị trí "0", mở nắp và nhấn nút 1 của bộ phận ngắt nhiệt. Đóng nắp của bộ điều khiển và khởi động lại máy nén, quan sát các hoạt động được mô tả trong đoạn "Bắt đầu máy nén với bộ điều khiển".
Các hướng dẫn tương tự áp dụng cho máy nén chạy ở tần số 60 Hz.
5.11 Điều chỉnh áp suất vận hành (Hình 23)
  5.11.1 .1 Bạn không phải sử dụng áp lực vận hành tối đa mọi lúc. Ngược lại, công cụ khí nén được sử dụng thường đòi hỏi ít áp lực. Máy nén tự động được trang bị bộ giảm áp, áp suất vận hành phải được điều chỉnh chính xác.
  5.11.2 .2 Nhả nút giảm áp bằng cách kéo nó lên, điều chỉnh áp suất lên Yêu cầu giá trị bằng cách xoay núm theo chiều kim đồng hồ để tăng áp lực và chống chiều kim đồng hồ để giảm nó.
  5.11.3 .3 Khi bạn đã có được áp suất tối ưu, khóa núm bằng cách ấn nó xuống (Hinh 23). Đối với bộ giảm áp được trang bị mà không có máy đo áp lực, áp suất thiết lập có thể được nhìn thấy trên thang đo tốt nghiệp nằm trên thân giảm tốc.
  5.11.4 Trên bộ giảm áp có trang bị đồng hồ đo áp suất, áp lực có thể được nhìn thấy trên chính thiết bị đo.
 CẢNH BÁO - Một số điều chỉnh áp lực không có "đẩy để khóa", do đó chỉ cần xoay núm để điều chỉnh áp lực
5.12 Bảo trì.
CẢNH BÁO - Trước khi thử bất kỳ công việc bảo trì nào trên máy nén, hãy đảm bảo các điều sau đây: Chuyển sang vị trí chính ở vị trí "0". Bộ chuyển đổi áp suất và bộ điều khiển tắt tất cả, ở vị trí "0". Không có áp suất trong bình không khí
  5.12.1 Mỗi 50 giờ làm nhiệm vụ: chúng tôi khuyên bạn tháo rời bộ lọc hút và lau bộ phận lọc bằng cách thổi không khí nén vào nó (hình 24).
  5.12.2 Đề nghị thay bộ phận lọc ít nhất một lần nếu máy nén hoạt động trong môi trường trong sạch, nhưng thường xuyên hơn nếu ở môi trường bụi bặm. Trong các mô hình "đầu đỏ" (hình 25) (TR200 - TR255), bộ lọc hút nằm trong nội bộ bên dưới nắp vận chuyển (đầu đọc). Tháo ba vít chắn bảo vệ, tháo nắp ra khỏi phần bảo vệ, tháo bộ lọc ra khỏi chỗ ngồi và bắt đầu làm sạch, thổi khí nén ngược hướng dòng chảy bình thường. Trong mô hình Im lặng, bộ phận lọc có thể được thay thế bằng cách lấy tủ cách âm và tiến hành theo cách tương tự như các mô hình AB (hình.29A).
  5.12.3 Máy nén tạo ra nước ngưng tụ tích tụ trong bể.
  5.12.4 Chất ngưng tụ trong bể phải được ráo nước ít nhất mỗi tuần một lần, bằng cách mở vòi nước (hình 26) dưới bể.
  5.12.5 Hãy cẩn thận nếu có khí nén trong xi lanh, và nước có thể chảy ra với lực lượng đáng kể. Áp suất được đề xuất: tối đa 1 - 2 bar
  5.12.6 Không được xả nước thải vào cống rãnh hoặc phân tán trong môi trường vì có chứa dầu.
5.13 Sự thay đổi dầu và tăng thêm dầu
  5.13.1 Máy nén được làm đầy với dầu tổng hợp "FIAC Synthesis".
  5.13.2 Chúng tôi khuyên bạn nên thay dầu đầy đủ trong phần bơm trong vòng 100 giờ đầu tiên của nhiệm vụ.
  5.13.3 Khung cách âm phải được lấy ra đầu tiên trong mô hình Im lặng (Hình.29A).
  5.13.4 Vặn núm xả dầu vào nắp thùng, để cho dầu chảy ra, và vặn lại phích cắm (hình 27 - 28).
  5.13.5 Đổ dầu vào lỗ trên của nắp thùng (hình 29 đến 30) cho đến khi đạt đến Mức độ ghi trên thanh (hình 9) hoặc chỉ báo (hình 11)
  5.13.6 Đổ dầu vào lỗ trên của đầu (hình 30) trong các thiết bị hỗ trợ dây đai được thiết kế để đổ lên trong khu vực đó.
  5.13.7 Đối với dòng GM203, lấy nắp ra và đổ 85 gram dầu trực tiếp từ chai (xem hình 30a).
  5.13.8 Mỗi tuần một lần: kiểm tra mức dầu của bộ phận bơm (Hình 11) và xem nó có cần bổ sung hay không.
  5.13.9 Để hoạt động ở nhiệt độ môi trường xung quanh từ -5 ° C đến + 40 ° C, sử dụng dầu tổng hợp. Lợi thế của dầu này là nó không bị mất các đặc tính của nó vào mùa đông hoặc mùa hè.
  5.13.10 Đừng cống dầu đã sử dụng vào cống rãnh hoặc vứt bỏ nó trong môi trường.
 
5.13 Bảng thay đổi dầu.
         Loại dầu                                                                   Giờ chạy
         Tổng hợp dầu FIAC .................................................  500
         Dầu tổng hợp:
         Sự Tiến hoá AGIP Sint 2000 - BP Visco 5000ESSO Ultron -
         MOBIL Mobil 1 NILS Kích thước S - NUOVA STILMOIL
         Mũi tên 5W50 ................................................ ...          400
        Các loại dầu khác: khoáng sản đa lớp
        SAE 15 W40 ............................................... .....           100
5.14 Khắc phục sự cố.
               
Vấn đề Giải pháp khả thi
Mất không khí trong van dưới công tắc áp suất - Sự cố này là do sự kín chặt của van kiểm tra - hãy thực hiện các thao tác sau (hình.31) Xả hết áp suất từ bể
Vặn đầu lục giác của van (A)
Cẩn thận làm sạch cả đĩa cao su (B) và chỗ ngồi của nó
Đổ tất cả các bộ phận chính xác
Tổn thất không khí
 
 
Đây có thể là do sự kín chặt của van (C1-C2) hoặc của một con dấu (B1-B2) thay thế phần bị hư hại
Máy nén quay nhưng không tải  
 
Máy nén đồng trục (Hình.32)
Điều này có thể là do sự thất bại của van (C1-C2) hoặc của một con dấu (B1-B2) thay thế phần bị hư hỏng
Ổ trục nén cho bánh răng. (Hình.33) - có thể là do lỗi của van F1 và F2 hoặc của một con dấu (D1-D2) thay thế phần bị hỏng
Máy nén GM 203 Điều này có thể là do sự phá vỡ của van (C1-C2) hoặc của miếng đệm (B1) thay thế phần bị hư hại (hình.16A) - Kiểm tra xem có quá nhiều nước ngưng tụ bên trong bể
Máy nén không bắt đầu nếu máy nén gặp sự cố bắt đầu kiểm tra sau đây Điện nguồn có phù hợp với dữ liệu của tấm? (Hình 14)
Là mở rộng cáp điện có đường kính hoặc chiều dài đầy đủ?
Là môi trường làm việc quá lạnh?. (Dưới 0 ° ­­ C)
Đối với hàng loạt VX / AB: máy cắt nhiệt bị dừng? (Hình 20); Trong chuỗi im lặng (hình.21)
Có dầu trong nhà để bảo đảm bôi trơn? (Hình 11)
Là điện cung cấp cho đường dây điện? (Khe cắm có kết nối tốt, van an toàn của két bắt đầu hoạt động) Để sửa chữa van, hãy liên hệ với trung tâm dịch vụ gần nhất của bạn.
Máy nén không dừng Nếu máy nén không dừng lại khi áp suất tối đa đạt được, thì két an toàn của két sẽ có hiệu quả. Để sửa chữa các van, liên hệ với trung tâm dịch vụ gần nhất của bạn.
       
 
QUAN TRỌNG:
- KHÔNG vào bất kỳ tài khoản nào tháo bất kỳ kết nối nào trong khi thùng được áp suất.
- Luôn kiểm tra xem bình không áp suất.
- KHÔNG đục lỗ, hàn hoặc cố ý làm biến dạng thùng khí nén.
- KHÔNG làm bất kỳ công việc nào trên máy nén trừ khi bạn đã ngắt kết nối phích cắm.
- Nhiệt độ trong môi trường xung quanh: 0 ° C + 35 ° C.
- KHÔNG hướng các vòi nước hoặc chất lỏng dễ cháy vào máy nén.
- KHÔNG đặt các vật dễ cháy gần máy nén.
- Trong thời gian xuống, chuyển công tắc áp suất sang vị trí "0" (T OFFT).
- Không bao giờ nhắm mục tiêu không khí ở người hoặc động vật (Hình 34)
- KHÔNG ĐƯỢC vận chuyển máy nén trong khi thùng được áp suất.
- Hãy thận trọng đối với một số bộ phận của máy nén như đầu và ống phân phối vì chúng có thể đạt đến nhiệt độ cao. KHÔNG chạm vào những bộ phận này để tránh bị bỏng (hình 18 - 19).
- Vận chuyển máy nén, nâng hoặc kéo nó bằng tay cầm hoặc tay cầm thích hợp (hình 4 - 6).
- Giữ trẻ em và động vật cách xa khu vực vận hành máy
- Nếu sử dụng máy nén để sơn:
   KHÔNG làm việc trong môi trường kín hoặc gần ngọn lửa trần. Đảm bảo có sự trao đổi không khí ở nơi làm việc. Bảo vệ mũi và miệng của bạn bằng một mặt nạ thích hợp. (Hình 35).
- Nếu cáp điện hoặc phích cắm bị hư hỏng, không sử dụng máy nén và liên hệ với trung tâm dịch vụ ủy quyền để thay thế phần tử bị lỗi bằng một phụ tùng ban đầu.
- Nếu máy nén nằm trên kệ hoặc trên đỉnh cao trên sàn nhà, phải bảo đảm chắc chắn để tránh rơi vào hoạt động.
- KHÔNG ĐƯa đồ vật hoặc tay vào trong lưới bảo vệ để tránh bị thương hoặc làm hỏng máy nén. (Hình 36)
- Khi bạn đã hoàn thành sử dụng máy nén, hãy luôn tháo phích cắm khỏi ổ cắm điện
Gợi ý cho hoạt động hiệu quả
   Để hoạt động hiệu quả của máy với tải tiếp tục đầy đủ và áp suất vận hành tối đa, hãy đảm bảo rằng nhiệt độ môi trường làm việc trong nhà không vượt quá + 25 ° C. Chúng tôi khuyên bạn nên sử dụng máy nén ở mức tối đa 70% mỗi giờ, vì điều này làm cho hoạt động hiệu quả của sản phẩm trong dài hạn.
5.16 Lưu trữ máy nén
   5.16.1 Trong thời gian máy nén được giải nén, cất giữ ở nơi khô ráo và có nhiệt độ từ 5 ° C đến 45 ° C và tránh xa thời tiết.
   5.16.2 Trong suốt thời gian máy nén không được sử dụng sau khi giải nén nó, trong khi chờ đợi để bắt đầu nó lên tấm tờ trên nó để bảo vệ nó khỏi bụi, mà có thể giải quyết trên các thành phần.
   5.16.3 Dầu phải được thay thế và hiệu quả hoạt động của máy nén phải được kiểm tra nếu nó không được sử dụng trong thời gian dài.
5.17 Các kết nối bằng khí nén.
   5.17.1 Hãy chắc chắn rằng bạn sử dụng ống khí nén cho khí nén với các đặc tính tối đa thích hợp cho máy nén. KHÔNG sửa chữa lỗi ống
6.ĐẶC ĐIỂM KỸ THUẬT

 
Model HY3050. HY3150. HY30100.
Điện áp - V 230 230 230
Số pha 1 1 1
Tần số - Hz 50 50 50
Phương pháp kết nối / Chiều dài cáp Phích cắm 3 chân - BS1363A Phích cắm 3 chân - BS1363A Phích cắm 3 chân - BS1363A
Công suất động cơ hp / kw 3/2.25 3/2.25 3/2.25
Tốc độ định mức (motor) - RPM 2800 2800 2800
Áp suất tối đa - PSi / Bar 145/10 145/10 145/10
Áp suất thoát ra - PSi / Bar 128/8.8 128/8.8 128/8.8
Áp lực cắt - PSi / Bar 87/6 87/6 87/6
Dung tích bể chứa - L 50 150 100
chuyển không khí tự do - CFM - L / phút 9/255 9/255 9/255
Dung tích  xi lanh- CFM / L / phút 13/368 13/368 13/368
Cửa thoát khí Van vòi Van vòi Van vòi
Loại điều chỉnh áp suất đầu ra ấn định ấn định ấn định
Loại ổ băng băng băng
Tổng thể Đơn vị Kích thước
 Dài x rộng x H mm
1010 x 360 x 730 1350 x 540 x 1040 1100 x 400 x 830
Trọng lượng tịnh - kg 55 107 64
Vật liệu thùng Thép cán Thép cán Thép cán
 
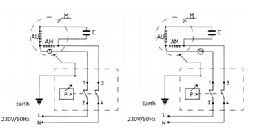
7. Sơ đồ đường dây
7.1 Ký hiệu.
A        =                    Cung cấp năng lượng
P = Công tắc áp suất.
T = Tự động bảo vệ nhiệt chuyển đổi.
TM = Công tắc bảo vệ bằng tay amperometric.
 
1-2-3-4  = Dây kết nối đầu cuối.
C = Bình ngưng/ bộ tụ điện
M = Động cơ
AU = Cuộn phụ.
AM = Khởi đầu cuộn
L = có điện  Trực tiếp
N = tính trung hoà của khí
= được nối đất
 

8. THÔNG TIN CHUNG LIÊN HỆ
8.1 Địa chỉ bưu điện;
Công ty Genpower Limited, Isaac Way, Pembroke Dock, Pembrokeshire, SA72 4RW, Vương quốc Anh.
8.2 Điện thoại và số liên lạc qua fax;
Văn phòng +44 (0) 1646 687880.
Fax +44 (0) 1646 686198.
8.3 Email liên hệ;
Techinical - service@genpower.co.uk
8.4 Trang web;
Www.hyundaipowerequipment.co.uk
9. TUYÊN BỐ VỀ SỰ PHÙ HỢP.
9.1 Genpower Ltd xác nhận rằng sản phẩm Hyundai này tuân theo các chỉ thị CE
Chỉ thị EMC 2004/108 / EC
Hướng dẫn máy móc 2006/42 / EC
Chỉ thị điện áp thấp 2006/95 / EC
Chỉ thị áp suất đơn giản 2009/105 / EC
Hướng dẫn tiếng ồn ngoài trời 2000/14 / EC

10. TÁI CHẾ
Các sản phẩm được dán nhãn với ký hiệu liền kề KHÔNG ĐƯỢC Xử lý trong rác gia đình. Bạn phải bỏ bao bì và thiết bị điện và điện tử cũ một cách riêng biệt.
10.1 Xử lý bao bì.
10.1.1 Bao bì bao gồm các tông và các loại nhựa tương ứng được đánh dấu có thể được tái chế.
10.1.2 Tái chế tất cả các vật liệu đóng gói.
10.2 Xử lý thiết bị (khi hết hạn sử dụng).
10.2.1 Hãy kiểm tra với chính quyền địa phương của bạn về các khả năng thải bỏ đúng cách.
Mua máy Máy nén khí  ở đâu?
Công ty Cổ phần Đầu tư và  thương Mai 330 Việt Nam luôn là một trong những công ty chuyên phân phối sỉ lẻ các loại máy xây dựngmáy nông nghiệp , máy côn nghiệp  uy tín với giá hợp lý nhất thị trường. Công ty chúng tôi cam kết bán hàng CHÍNH HÃNG –CHẤT LƯỢNG CAO –GIÁ THẤP.Mọi thắc mắc về sản phẩm các bạn có thể liên hệ trực tiếp qua địa chỉ:
CÔNG TY CỔ PHẦN ĐẦU TƯ VÀ THƯƠNG MẠI 330 VIỆT NAM
Địa chỉ ở Hà Nội: Tầng 20 tòa Nhà Westa 104 Trần Phú , Nguyễn Trãi, Phường Thanh Xuân Nam, Q. Thanh Xuân, Hà Nội
Showroom : Số 2 Khuất Duy Tiến - Thanh Xuân - Hà nội ;
Tel : 0978.543.143- 0984.1900.74;Website :https://330.com.vn/,
Ngoài sản phẩm máy bơm bùn, nước thải công ty 330 việt nam còn cung cấp các loại máy khác như:
Máy xây dựng : Máy đầm cóc , máy uốn sắt , máy cắt sắt , máy cắt bê tôngmáy lu rung máy xoa nền bê tông....
Máy nông nghiệp Máy cắt cỏ , máy cưa xăng , máy khoan lỗ trông cây máy hái chè , máy xới đất ...,,




 
Bình luận