Máy phát điện xăng Hyundai Models HY12000LE & HY12000LE-3
Để có được sức mạnh đáng tin cậy để giữ cho ngôi nhà của bạn, công việc kinh doanh, công trình xây dựng , bạn sẽ tìm thấy nhiều sản phẩm Hyundai chính hãng do công ty 330.com.vn cung cấp như :
Máy phát điện . Với sự cắt giảm điện năng ở tần số trên khắp nước , một máy phát điện diesel bây giờ đã trở thành một khoản đầu tư cần thiết để giữ tiền đề của bạn chạy suốt cả ngày. Để giữ cho dụng cụ điện và thiết bị được hỗ trợ trong suốt cả ngày làm việc tại chỗ, khung mở máy phát điện xăng là một giải pháp tiết kiệm chi phí hiệu quả cho cả hai xây dựng quy mô nhỏ và lớn và yêu cầu thương mại. Máy phát điện biến tần là loại máy phát điện nhỏ gọn, nhẹ và yên tĩnh nhất trong phạm vi Hyundai, lý tưởng cho việc vận chuyển bằng xe chở hàng, xe máy và với lựa chọn để chuyển sang chạy LPG .
Các máy làm vườn của công ty 330.com.vn là sản phẩm hãng Hyundai và Honda có nhiều tính năng cho mọi công việc làm vườn, từ máy cắt cỏ đeo vai và máy cắt cỏ đẩy tay , cho đến máy cưa và máy thổi lá . Dòng sản phẩm này bao gồm cả dòng xe chạy bằng động cơ 2 thì và 4 thì, cũng như pin lithium ion 36v mới, cho phép làm vườn an toàn, sạch sẽ và xanh mà không có xăng, không có dây cáp và không gây ô nhiễm.
Máy rửa áp suất của Hyundai mang lại hiệu suất làm sạch tốt nhất, cho dù bạn cần một mô hình xăng hoặc dầu diesel . Các máy giặt áp suất di động này giúp làm sạch tại các vị trí không có nguồn điện, và chúng được trang bị máy bơm Annovi Reverberi nổi tiếng thế giới, điều này làm cho tất cả sự khác biệt khi nói đến chất lượng và độ tin cậy của hoạt động làm sạch.
Để vận chuyển các bể lớn nước nhanh chóng và hiệu quả, bạn sẽ tìm thấy máy bơm nước phù hợp với mình trong phạm vi Hyundai. Để sử dụng chuyên nghiệp và nông nghiệp ở quy mô lớn, hoặc để ngăn ngừa lũ lụt, bạn nên duyệt qua máy bơm nước xăng và máy bơm nước diesel . Đối với quy mô nhỏ trong nước và làm vườn yêu cầu, chúng tôi cũng có một lựa chọn lớn của máy bơm nước điện chìm .
Việc lựa chọn máy nén khí của Hyundai cũng rộng lớn và với các mô hình phù hợp với người sử dụng hobbyist, tất cả các yêu cầu kỹ thuật đòi hỏi cao nhất. Chọn từ dây đai ổ đĩa , lái xe trực tiếp , động cơ xăng hoặc máy nén khí trục vít quay để cung cấp điện cho các công cụ và thiết bị không khí của bạn.
Những sản phẩm mới của công ty 330.com.vn là những sẩm phẩm phục vụ cho thi công công trình xây dựng có các bộ phận tách đá như máy đục đá chạy xăng, máy khoan đá chạy xăng , máy đầm , máy cưa gỗ và máy cày . Những máy này cung cấp một lựa chọn thay thế hiệu quả về chi phí để thuê và phù hợp cho cả người sử dụng và thương mại.
Để làm cho DIY và các nhiệm vụ cải thiện nhà cửa nhanh và dễ dàng nhất có thể, phạm vi công cụ của Hyundai có cả mô hình pin lithium-ion không dây và điện. Được xây dựng cho công việc mạnh mẽ, với sự nhấn mạnh về tốc độ và độ chính xác, những công cụ này có giá cả phải chăng, dễ sử dụng và sẽ mang lại sự hoàn thiện chuyên nghiệp mỗi lần.
1.Giới thiệu Máy phát điện chạy xăng Hyundai HY12000LE 9,5kW-Máy phát điện chạy bằng điện một pha
Sản lượng ra tối đa 9.5kW.
Được trang bị động cơ Hyundai HYIC680.
Thiết kế di động với tay cầm và bánh xe lớn.
Thiết kế với khả năng ATS.
Hoàn hảo cho việc sử dụng chuyên nghiệp, chẳng hạn như trên các công trình xây dựng và trang trại.
2.Đặc điểm Máy phát điện chạy xăng Hyundai HY12000LE 9,5kW-Máy phát điện chạy bằng điện một pha
Máy phát điện Hyundai HY12000LE là máy phát điện chạy xăng đơn nhất lớn nhất trong dòng sản phẩm Thiết bị Điện của Hyundai trên thị trường Anh.
Sản xuất tối đa 9.5kW Máy phát điện Hyundai HY12000LE có khả năng cung cấp điện năng cho các công việc đòi hỏi khắt khe nhất và được thiết kế chủ yếu cho việc sử dụng chuyên nghiệp, công nghiệp và nông nghiệp. Điều này là do Máy phát điện Hyundai HY12000LE được trang bị động cơ Hyundai HYIC680, động cơ đẩy ra công suất 20 mã lực từ thiết kế 4 xi lanh 680cc. Nếu bạn cần một máy phát điện mà có thể quản lý công việc nặng nhọc thì Máy phát điện Hyundai HY12000LE là máy cho bạn.
Trọng lượng 167kg, Máy phát điện Hyundai HY12000LE là máy phát điện xăng dầu dễ sử dụng do khung xe cút kít và bánh xe lớn, đảm bảo người sử dụng có thể dễ dàng vận chuyển máy phát điện từ nơi này sang nơi khác dễ dàng. Để thuận tiện hơn, bạn có thể lựa chọn giữa điều khiển từ xa hoặc phím khởi động điện để điều khiển thiết bị và nó cũng có khả năng ATS để nó có thể được kết nối với một Switch Chuyển Tự động và khởi động tự động trong trường hợp bị cắt điện.
Máy phát điện Hyundai HY12000LE là máy phát điện lý tưởng để sử dụng với các thiết bị điện tử nhạy cảm do sản lượng cực kỳ mịn được sản xuất bởi máy phát điện AVR ở cả hai chiều 115v và 230v.
Trong những năm gần đây, Máy phát điện Hyundai HY12000LE đã đặt tên cho mình trong các ngành công nghiệp xây dựng và nông nghiệp do sức mạnh khổng lồ mà nó cung cấp và độ tin cậy của nó để xem việc làm thông qua để hoàn thành.
1.Giới thiệu Máy phát điện chạy xăng Hyundai HY12000LE-3 12,5kW-Máy phát điện chạy bằng điện ba pha
Máy phát điện chạy xăng lớn nhất trong dãy thiết bị điện của Hyundai, sản xuất 10kw.
Máy phát điện ba pha dùng cho công nghiệp nặng và xây dựng.
Được trang bị động cơ Hyundai HY2V680 20bhp.
Được trang bị khung xe cút kít và bánh xe lớn cho tính di động.
Được trang bị một máy phát điện AVR cho sản lượng điện mịn.
Điện từ xa và bắt đầu chính.
2.Đặc điểm Máy phát điện chạy xăng Hyundai HY12000LE-3 12,5kW-Máy phát điện chạy bằng điện ba pha
Máy phát điện chạy xăng Hyundai HY12000LE-3 là một máy phát điện xăng dầu mở rộng với công suất tối đa 10kW, trở thành máy phát điện chạy xăng hiệu quả nhất từ Hyundai Power Equipment. Máy này là phiên bản ba pha của Máy phát điện Hyundai HY12000LE. Nó được trang bị động cơ HY2V680 của Hyundai và đẩy mạnh công suất 20 mã lực từ cấu hình 4 xi lanh 640cc V-twin.
Để vận hành dễ dàng, Máy phát điện Hyundai HY120000LE-3 có thể được khởi động bằng remote hoặc chìa khóa điện, đảm bảo sự khởi đầu dễ dàng trong mọi tình huống. Nó được trang bị một máy phát điện AVR tạo ra công suất ra mịn ở cả 230v và 400v, cho phép bạn cung cấp điện cho tất cả các công cụ, thiết bị và thiết bị mà không sợ gây ra thiệt hại nào.
Giống như Máy phát điện Hyundai HY12000-LE, thiết bị này được trang bị khung xe cút kít và gắn bánh xe lớn. Điều này làm cho máy 167kg có khả năng di chuyển đáng kinh ngạc và có thể di chuyển dễ dàng từ trang web của một công việc sang công việc khác.
Phiên bản ba pha này của mô hìnhMáy phát điện Hyundai HY12000 thường được dùng để điều khiển động cơ và máy lớn hơn với tải trọng lớn. Nói chung các máy ba pha phù hợp hơn với công việc công nghiệp hoặc các nhiệm vụ xây dựng tại chỗ.
Một hệ thống ba pha thường tiết kiệm hơn so với các loại pha điện khác. Hệ thống 3 pha sử dụng ba dây dẫn mạch mang 3 dòng điện xen kẽ (có cùng tần số) đạt được giá trị đỉnh tại các thời điểm khác nhau, và máy phát này có thể được sử dụng đáng tin cậy để phân phối 12kVA chia làm 3 giai đoạn.

Hướng dẫn sử dụng Máy phát điện xăng Hyundai Models HY12000LE & HY12000LE-3



Nội dung
Phần Miêu tả Số trang / không
. AN TOÀN 3 - 6
2. MÁY LAYOUT 6
3. KIỂM TRA AP XUẤT 7 – 8
4. HOẠT ĐỘNG 8 – 10
5. KHỞI ĐỘNG CƠ
6. CHẤM DỨT ĐỘNG CƠ
7. SỬ DỤNG MÁY
8. Pin
9. BẢO TRÌ HÔM NAY
10. XỬ LÝ Có LỢI
11. BẢO QUẢN
12. KHÁI NIỆM
13. Sơ đồ đường dây
14. CHI TIẾT LIÊN HỆ
15. TUYÊN BỐ VỀ SỰ PHÙ HỢP
1. AN TOÀN 
1.1. Người điều khiển máy là;
1.1.1. Chịu trách nhiệm và có trách nhiệm đảm bảo rằng máy được vận hành an toàn và theo hướng dẫn trong hướng dẫn sử dụng này.
1.1.2. Không bao giờ được để lại nó trong một điều kiện đó sẽ cho phép một người không được đào tạo hoặc không được phép để vận hành máy này.
1.1.3. Tất cả sự cẩn trọng và siêng năng cần được thực hiện bởi người vận hành để đảm bảo sự an toàn của và đối với những người xung quanh khi sử dụng máy, bao gồm nhưng không giới hạn;
1.1.3.1. Người cao tuổi, trẻ em, vật nuôi, vật nuôi và tài sản.
1.2. Một số hoặc tất cả các Dấu Hiệu Cảnh Báo và Các Dấu Hiệu Cảnh Báo PPE sau đây có thể xuất hiện trong toàn bộ cuốn cẩm nang này và bạn phải tuân thủ các cảnh báo của họ. Nếu không làm như vậy có thể dẫn đến thương tích cá nhân
Quần áo bảo hộ cá nhân (PPE)

| Dấu hiệu Cảnh báo và Biểu tượng - TRÁNH thông điệp an toàn để tránh hoặc giảm thiểu nguy cơ thương tích hoặc tử vong. | ||||
![]() NGUY HIỂM - chỉ ra một nguy cơ nếu không thể phát hiện có thể gây ra thương tích nghiêm trọng hoặc tử vong |
![]() CẢNH BÁO - chỉ ra một nguy cơ mà nếu không tránh được có thể gây ra thương tích nghiêm trọng hoặc tử vong |
![]() THẬN TRỌNG - chỉ ra một nguy cơ mà nếu không tránh được có thể dẫn đến thương tích nhẹ hoặc vừa |
![]() LƯU Ý - cho biết tình huống có thể dễ dẫn đến hư hỏng thiết bị. |
![]() ĐỌC HƯỚNG DAN |
explosion-Nổ |
![]() FIRE-NGỌN LỬA |
ELECTRIC SHOCK-ĐIỆN GIẬT |
![]() |
|
![]() HOT SURFACE-BỀ MẶT NÓNG |
![]() TOXIC FUMES-KHÓI ĐỘC |
SLIPPERY-TRƠN |
![]() MOVINGPARTS-BỘ PHẬN CHUYỂN ĐỘNG |
|



CẢNH BÁO - Tất cả các nhiên liệu đều dễ cháy
Bảo vệ tay
Quần áo bảo hộ.
Nên sử dụng thiết bị bảo vệ hô hấp khi ở nơi không được thông gió
Pin có nguy cơ nếu chúng bị hỏng do sự rò rỉ chất điện phân. Chất điện giải này là axit và có thể gây thương tích nghiêm trọng. Cần thận trọng khi làm việc hoặc ở gần chúng
| 1 | Khung. | 2 | Nắp nhiên liệu. | 3 | đo nhiên liệu |
| 4 | Thoát ra. | 5 | Dầu mát. | 6 | Van Nhiên liệu |
| 7 | Chế Nghẹt thở | 8 | cảm biến nhiệt Động cơ | 9 | Vôn kế |
| 10 | Đèn đốt Spark | 11 | Ống dẫn dầu | 12 | Bộ lọc khí |
THẬN TRỌNG |
Kiểm tra trước khi hoạt động phải được tiến hành mỗi khi máy phát được sử dụng |

| Model- Mô Hình | Full - Đầy |
| HY12000LE, HY12000LE-3 | 25 Lít |
- CẢNH BÁO |
KHÔNG ĐƯỢC bơm lại khi máy đang chạy hoặc điện |

| Model- Mô Hình | Full - Đầy |
| HY12000LE, HY12000LE-3 | 1.5Lít |
LƯU Ý |
Bạn phải luôn luôn chuyển công tắc sang vị trí OFF khi máy phát không sử dụng. |



CẢNH BÁO |
KHÔNG sử dụng máy phát mà không cần phải kết nối với đất / đất. |

LƯU Ý |
Trước khi khởi động động cơ; Tắt 'OFF' công tắc AC. KHÔNG kết nối bất kỳ thiết bị điện nào vào máy. |


LƯU Ý |
Không giữ công tắc ở vị trí "START" trong hơn 5 giây, hoặc bộ khởi động có thể bị hỏng. Nếu động cơ không khởi động lần đầu tiên, hãy thử khởi động lại sau khi chờ 10 giây tạm dừng. Nếu tốc độ quay số bắt đầu giảm dần theo thời gian, có nghĩa là bạn sẽ phải sạc pin. |
![]() LƯU Ý |
Nếu cần dừng khẩn cấp, hãy chuyển công tắc động cơ sang vị trí "OFF" |

![]() NGUY HIỂM |
KHÔNG Nối bộ máy phát điện vào ổ cắm điện AC trong nhà của bạn-thường được gọi là "ăn sau", nó cực kỳ nguy hiểm và bất hợp pháp |
![]() LƯU Ý |
Khi máy phát điện đang được sử dụng như một nguồn cung cấp điện dự phòng trong trường hợp mất điện. Việc lắp đặt phải được thực hiện bởi một thợ điện hoặc người có thẩm quyền. Khi tải được kết nối với máy phát điện, phải tiến hành kiểm tra cẩn thận để kiểm tra các kết nối và an toàn đáng tin cậy. Nếu không làm như vậy có thể dẫn đến thiệt hại cho máy phát điện hoặc bắn vì kết nối không chính xác. |
![]() CẢNH BÁO |
KHÔNG sử dụng máy phát mà không cần phải kết nối với đất / đất. |

![]() LƯU Ý |
Quá tải của máy phát điện sẽ rút ngắn thời gian sử dụng |

| kiểu | đơn vị công suất điện W | Thiết bị tiêu biểu | Thí dụ | |||
| Khởi đầu | đánh giá |
Thiết bị gia dụng | Khởi đầu | đánh giá |
||
| Máy sưởi đèn sợi đốt | X1 | X1 | Đèn sợi F![]() |
Đèn sợi 100W![]() |
100VA (W) |
100VA (W) |
| Đèn huỳnh quang | X2 | X1.5 | Đèn huỳnh quang![]() |
Đèn huỳnh quang 400W![]() |
80VA (W) |
60VA (W) |
| Thiết bị với động cơ | X3 - 5 | X2 | Tủ lạnh![]() Quạt điện ![]() |
Tủ lạnh 150W![]() |
450 - 750VA (W) |
300VA (W) |
![]() LƯU Ý |
Nếu một bộ chế hòa khí dùng cho độ cao cao được sử dụng ở khu vực độ cao thấp, sức mạnh động cơ sẽ bị xuống cấp, động cơ sẽ bị quá nóng hoặc bị hư hỏng nghiêm trọng do hỗn hợp khí hiếm. |
CẢNH BÁO |
Sẽ có khí thải carbon monoxide từ động cơ - xem phần 1.3. Dừng máy trước khi thực hiện bất kỳ loại bảo trì |
![]() CẢNH BÁO |
Bảo trì không đúng hoặc chạy máy phát có lỗi có thể gây hư hỏng không được bảo hành. Duy trì máy theo hướng dẫn sử dụng. |
| Mục | Ghi chú | Kiểm tra trước | Ban đầu và 1 tháng hoặc 20 giờ | Mỗi 3 tháng hoặc 50 giờ | Mỗi 6 tháng hoặc 100 giờ | Mỗi 12 tháng hoặc 300 giờ |
| bugi | Kiểm tra điều kiện, điều chỉnh khoảng trống và làm sạch khi cần thiết | |
● | Thay thế | ||
| Dầu động cơ | Kiểm tra mức dầu thay thế | ● | ||||
| Thay thế | ● | ● | ||||
| bộ lọc khí | Làm sạch và thay thế nếu cần | ● Thường xuyên hơn ở những khu vực nhiều bụi |
||||
| Bộ lọc nhiên liệu | Kiểm tra bộ lọc, thay thế khi cần thiết | ● | ||||
| Giải phóng mặt bằng van | Kiểm tra và điều chỉnh khi động cơ lạnh | ● Quay trở lại đại lý |
||||
| Dòng nhiên liệu | Kiểm tra ống nhiên liệu cho vết nứt và hư hỏng. Thay thế khi cần thiết | ● | ||||
| Hệ thống ống xả | Kiểm tra rò rỉ, thắt lại hoặc thay miếng đệm theo yêu cầu |
● | ||||
| Kiểm tra màn chắn, làm sạch và thay thế theo yêu cầu | ● | |||||
| Bộ chế hòa khí | Kiểm tra Chế hoạt động | ● | ||||
| Hệ thống làm mát | Kiểm tra quạt làm mát cho thiệt hại | ● | ||||
| Hệ thống bắt đầu | Kiểm tra hoạt động khởi động lại | ● | ||||
| Khử cacbon hóa | Khi cần thiết | ● | ||||
| Tất cả các khớp nối và ốc vít | Kiểm tra tất cả các phụ kiện và ốc vít. Nếu thiếu hoặc lỏng lẻo, thay thế và thắt chặt | ● | ● |
![]() THẬN TRỌNG |
Sau khi động cơ đã được chạy trước khi thay dầu sẽ rất nóng. Đeo đúng PPE tối thiểu của găng tay và quần đùi. ![]() |
![]() THẬN TRỌNG |
KHÔNG cho phép bụi, bụi bẩn hoặc các mảnh vụn khác vào dầu hoặc thùng chứa |
![]() THẬN TRỌNG |
Sự tiếp xúc thường xuyên và lâu dài của dầu với da có thể dẫn đến bệnh ngoài da. Luôn luôn đeo găng tay thích hợp và chúng tôi khuyên bạn nên khi hoàn thành công việc mà bạn kỹ lưỡng rửa tay bằng nước xà phòng. |

![]() CẢNH BÁO |
KHÔNG làm sạch bộ phận lọc bằng dung môi xăng hoặc dễ cháy, có thể xảy ra cháy nổ. Làm sạch bằng nước xà phòng hoặc dung môi không cháy |
![]() LƯU Ý |
HÔNG chạy động cơ mà không có các bộ phận lọc không khí, nó sẽ gây ra tình trạng mài mòn nhanh chóng của động cơ. |

![]() LƯU Ý |
Không bao giờ sử dụng bugi không chính xác |
spark plug socket - Ổ cắm bugi
![]() LƯU Ý |
Khi hoàn thành, đảm bảo rằng nắp nạp nhiên liệu được bảo vệ chặt chẽ. |

| điều kiện | Nguyên nhân có thể | Hành động Sửa chữa | |||
| Động cơ sẽ không bắt đầu. Hoặc Động cơ đầu ra thấp. Hoặc Động cơ chạy sai lệch | Không đủ nén |
Đầu cắm tia lửa lỏng | - - - - - - - > | - - - - - - - > | Vặn chặt đúng cách |
| Đầu bulông xi lanh | - - - - - - - > | - - - - - - - > | Vặn chặt chốt đúng | ||
| Miếng đệm bị hỏng | - - - - - - - > | - - - - - - - > | Thay miếng đệm | ||
| Nén đầy đủ |
Không có nhiên liệu vào buồng đốt | Tốc độ kéo không đủ bắt đầu khởi động | - - - - - - - > | Kéo kéo dây bắt đầu nhanh hơn | |
| Các mảnh vỡ trong bình nhiên liệu | - - - - - - - > | Bể sạch | |||
| Đường ống nhiên liệu bị chặn | - - - - - - - > | Xóa tắc nghẽn | |||
| Không Nhiên liệu - nghèo | - - - - - - - > | Điền nhiên liệu tươi | |||
| Van nhiên liệu không mở | - - - - - - - > | Mở van nhiên liệu | |||
| Buồng đốt có nhiên liệu | Không hoặc tia lửa kém | Bugi bẩn | Làm sạch tia lửa | ||
| Đốt cháy bị hư hỏng | Thay bugi | ||||
| Mago bị lỗi | Tư vấn đại lý | ||||
| Đốt chính xác | Bộ chế hòa khí điều chỉnh không đúng | ||||
| Tốc độ kéo không đủ bắt đầu khởi động | Kéo kéo dây bắt đầu nhanh hơn | ||||
| Nhiên liệu không chính xác | - - - - - - - > | - - - - - - - > | Kiểm tra và thay thế nhiên liệu theo yêu cầu | ||
| Quá tải | - - - - - - - > | - - - - - - - > | Kiểm tra và chính xác tải | ||
| Quá nóng | - - - - - - - > | - - - - - - - > | Kiểm tra và hiệu chỉnh hệ thống làm mát | ||
| điều kiện | Nguyên nhân có thể | Hành động Sửa chữa |
| Đèn chỉ thị bật, không có đầu ra AC | Ngắt mạch | Thiết lập lại bộ ngắt điện |
| Kết nối kém hoặc dây điện bị hỏng | Kiểm tra và sửa chữa | |
| Ổ cắm đầu ra bị hỏng | ||
| Bộ ngắt mạch sai | ||
| Đèn chỉ thị tắt, không có đầu ra AC | Vấn đề máy phát điện | Liên hệ với đại lý |
| Đèn chỉ thị tắt, không có đầu ra DC | Ngắt mạch | Thiết lập lại bộ ngắt điện |
| Kết nối kém hoặc dây điện DC bị lỗi | Kiểm tra và sửa chữa | |
| Vấn đề máy phát điện | Liên hệ với đại lý | |
| Công suất ra - máy chạy sai lệch | Động cơ RPM đặt quá cao hoặc quá thấp | Nếu không NO LOAD cho 60 hertz đặt ở 3780 RPM Với NO LOAD cho 50 hertz đặt ở 3150 vòng / phút thì liên lạc với đại lý |
| Các thành phần lỏng lẻo | Định vị và thắt chặt | |
| Vấn đề máy phát nội bộ | Liên hệ với đại lý |
![]() CẢNH BÁO |
Để tránh cháy hoặc hỏa hoạn bằng cách tiếp xúc với các bộ phận nung nóng của động cơ, không bao giờ đóng gói hoặc lưu giữ động cơ cho đến khi nó đã được làm mát. |
![]() CẢNH BÁO |
Xăng là chất lỏng dễ nổ và dễ nổ. Sau khi dừng động cơ, thoát nhiên liệu ở khu vực thông thoáng. KHÔNG để cho ngọn lửa trần hoặc các nguồn gây cháy khác tiếp xúc với xăng hoặc hơi. |
| HY12000LE / LE-3 | |||||
| Động cơ | Model | HY680 | |||
| kiểu | 2 xi lanh, 4 thì, làm mát không khí cưỡng bức | ||||
| lỗ khoan, nòng x Đột quỵ mm | 78×71 | ||||
| Dung tích xi lanh ml | 678 | ||||
| Tốc độ nén | 8.5:1 |
||||
| Công suất ra tối đa kW / (r / phút) - Động cơ | 14.7kW/3600rpm |
||||
| Công suất định mức kW / (r / phút) - Động cơ | 10kW/3600 |
||||
| Mô men xoắn Tối đa Nm / (r / phút) | 43.5/ 0(2500±200) |
||||
| Chế độ đánh lửa | hệ thống đánh lửa điện dung không tiếp xúc đánh lửa | ||||
| Chế độ bắt đầu | Bắt đầu chạy | ||||
| Khả năng bôi trơn L | 1.5 | ||||
| Dung tích nhiên liệu L | 25 |
||||
| Yếu tố làm sạch không khí | Giấy, các thành phần bọt | ||||
| Máy phát điện | Kiểu | Máy phát điện đồng bộ | |||
| Quy định Volt | Điều chỉnh điện áp tự động | ||||
| Điện áp định mức V | 220/230/240 | 220/380 230/400 240/415 |
|||
| Phase | 1 phase | 1 phase | 3 phase | 3 phase | |
| Công suất kW | 8.5 | 9.5 | 9 | 10 |
|
| KW điện năng tối đa | 9.5 | 10.5 | 10 | 11 |
|
| Tần số Hz | 50 | 60 | 50 | 60 |
|
| Hệ số công suất cos Φ | 1.0 | 0.8 | 1.0 | 0.8 |
|
| bộ Máy phát điện | Tiêu hao nhiên liệu g / kW.h | ≤360 | |||
| Thời gian làm việc liên tục h | 6 |
||||
| Tiếng ồn (cách bộ máy phát điện 7m) dB (A) | ≤70 |
||||
| Cấu hình chuẩn | Bình nhiên liệu, đồng hồ đa năng, hệ thống cảnh báo dầu của bộ máy phát điện | ||||
| Kích thước (L × W × H) mm | 930 x 830 x 960 | ||||
| Trọng lượng tịnh Kg | 164 | ||||
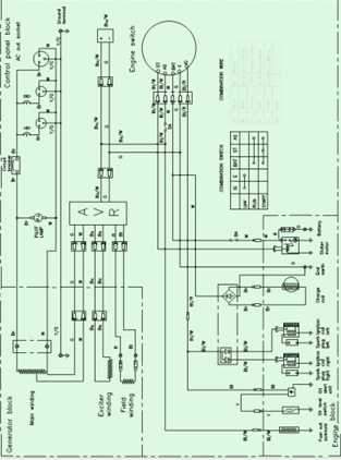
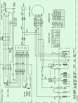
13. Sơ đồ đường dây
13.1. (N.B.có thể thay đổi mà không cần thông báo trước


14. THÔNG TIN CHUNG LIÊN HỆ